Категория: Стыковые железнодорожные накладки

Накладка 1Р-50

В наличии на складе Цена по запросу
Отправить запрос
Тип:Новый
Тип1Р-50
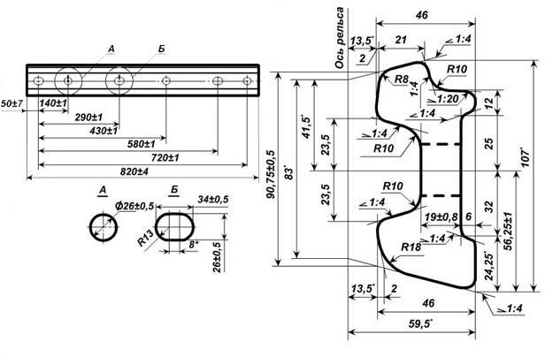
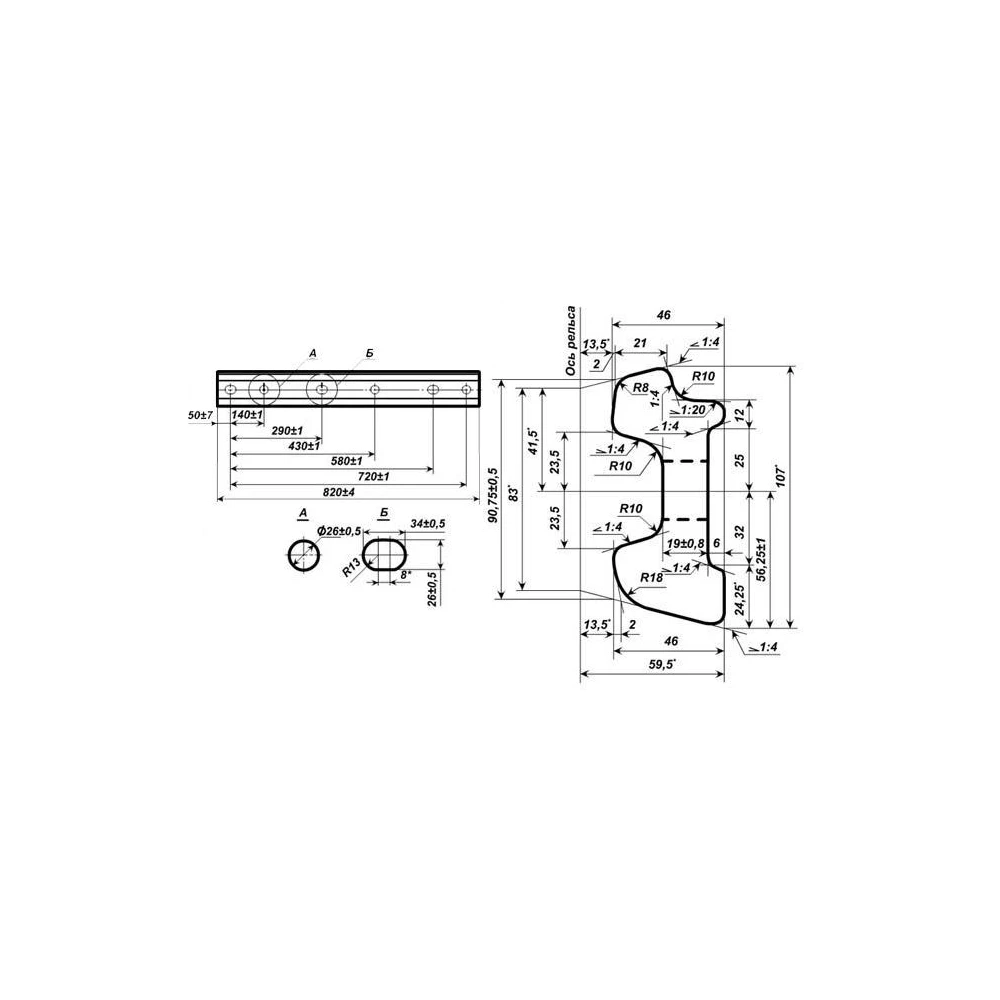
Длина, мм820
Ширина, мм46
Высота, мм107
Плoщaдь пoпepeчнoгo ceчeния пpoкaтa, cм230,05
Koличecтвo x paзмep oтвepcтий, шт. x мм3 x d26, 3 x 34×26
Материалсталь М54
Масса 1 шт.18,77 кг
Единица измерениятонна
Количество в 1 тонне53 шт.
ГОСТ, ТУ19128-73
Для типа рельсР50
Болт стыковой (приобретается отдельно)М24х150
Гайка (приобретается отдельно)М24
Шайба одновитковая (приобретается отдельно)М24

Среднее время доставки по Свердловской области: 7-10 дней

Наши логисты свяжутся с вами для уточнения деталей доставки

ЖД двухголовая стыковая рельсовая накладка 1Р-50 используется  в качестве болтового рельсового скрепления. Предназначена для скрепления шейки железнодорожных магистральных рельс Р50 с помощью стыкового болта М24х150.

Основные характеристики

  • Единица измерения — тонна
  • Масса 1 шт. — 18,77 кг
  • Кол-во в 1 тонне — 53 шт.

ГОСТ 19128-73

На нашем сайте вы можете скачать ГОСТ 19128-73 для стыковых накладок типа 1Р-50 —изображение

Чертеж

чертеж рельсовой наладки 1Р-50

Накладки 1Р-50 по выгодным ценам в ТД «Трансмет»

Купить 6-ти дырную накладку 1Р-50 по низкой цене с доставкой в Нижнем Новгороде вы можете на сайте Торгового Дома «Трансмет» прямо сейчас! Доставим в короткие сроки на Ваш объект или производство. Перевозку осуществляем собственным автотранспортом или оформляем железнодорожные грузоперевозки. При необходимости груз страхуется и сопровождается.

Торговый Дом «Трансмет» — Ваш надёжный поставщик накладок и других материалов ВСП. К нам обращаются, нам доверяют!

Свяжитесь с коммерческим отделом компании и мы поможем вам с расчетом и оформлением заявки!

Телефоны: +7 (343) 361-64-95, +7 (343) 361-64-78, 8 (800) 600-54-95 (бесплатный для регионов)
E-mail: info@tdtransmet.ru

Оплата и доставка продукции

Мы предлагаем свои услуги по доставке различных грузов для железных дорог, включая железнодорожные рельсы, шпалы и другие строительные материалы.

Мы обладаем собственным транспортом, который позволяет нам осуществлять доставку грузов быстро, качественно и в срок. Наша компания осуществляет доставку продукции по всей территории России и ближнего зарубежья.

Варианты доставки

  • Доставка автотранспортом по РФ.
  • Доставка железнодорожным составом.
  • Отправка ТК по запросу. Мы сотрудничаем со всеми сертифицированными транспортными компаниями.

Наша компания заботится о комфорте и безопасности клиентов, поэтому мы предлагаем различные виды транспорта для доставки. Не важно, нужно ли вам доставить грузы на большой расстояние или через город, мы предоставим вам наилучшее решение для вашего бизнеса.

624002, Россия, Свердловская область, г. Арамиль, ул. Гарнизон, 3В